Euro Motors Italia シリーズ 52 日本

見積依頼は以下のフォーム、またはメールにてお問い合わせ願います。東京、横浜、川崎、大阪、兵庫、京都、名古屋の工業都市を中心に活動している地元の宅配便業者を利用して、ご注文を最良の価格と迅速なサービスでお届けします。

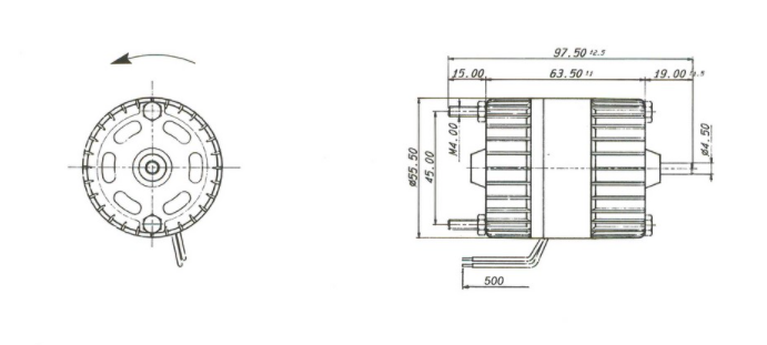
シリーズ 52


単相アポリシールドモーター。2500回転。完全に密閉されており、特筆すべき潤滑剤を使用しているため、湿度と温度が-30℃までの高い環境でも良好に動作します。絶縁クラス

「B」、保護等級IP44です。